13771829671
产品
案例
服务
首页
活塞密封
产品中心
应用案例
新闻资讯
关于维众
联系我们
首页
活塞密封
活塞密封
+
活塞密封
活塞杆密封
防尘密封
旋转密封
导向环
挡圈
H09活塞密封
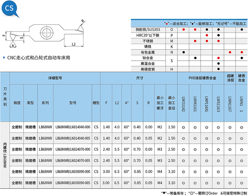
螺纹-LB68NW 内螺纹加工